Soluções completas em equipamentos e componentes para refrigeração industrial, comercial e profissional.
Nossos Produtos

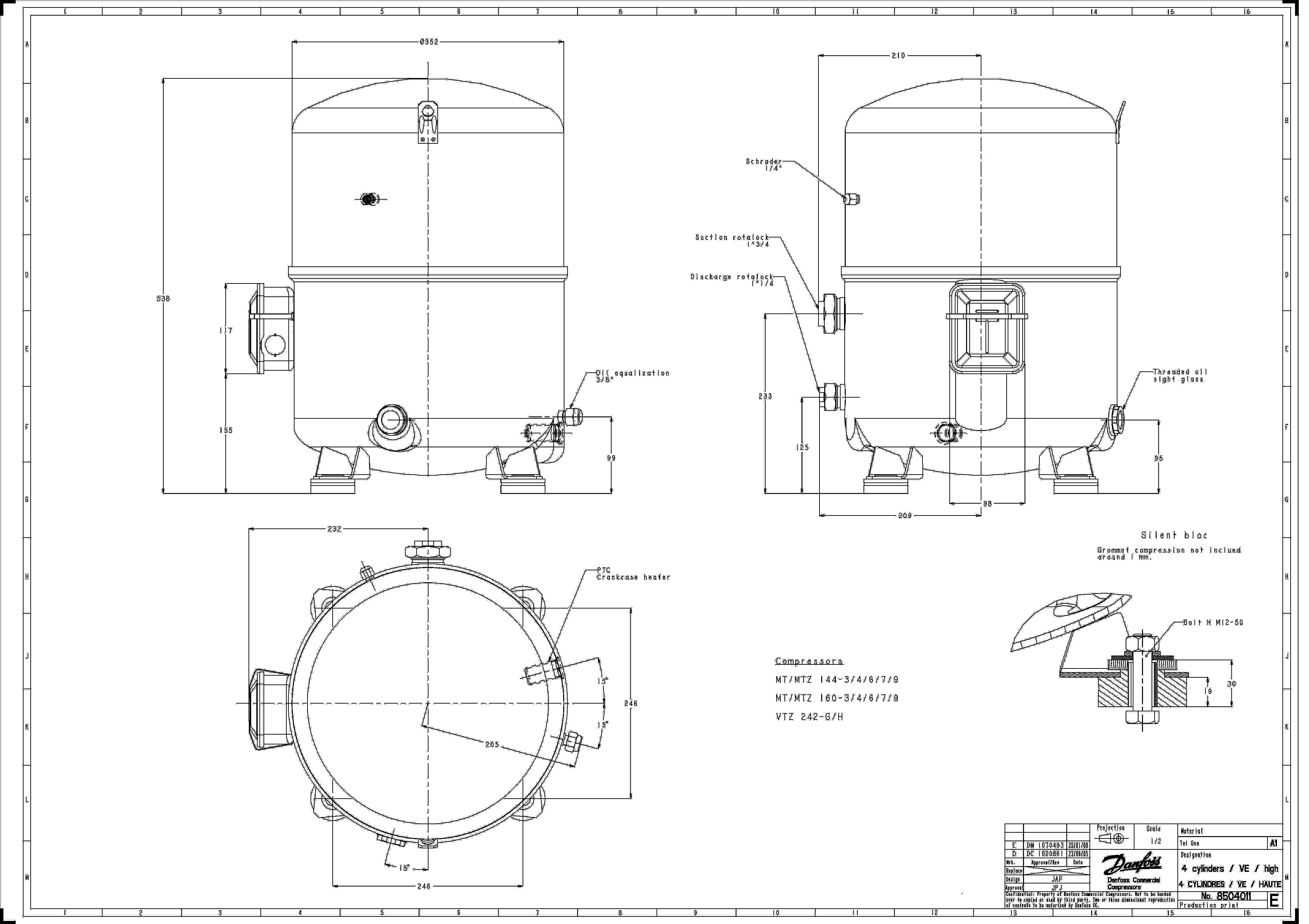
Compressores Recíproco MT160 R22 13HP Danfoss
Modelo MT160
Compressores Recíprocos Herméticos Danfoss
Os compressores recíprocos herméticos Danfoss são projetados para oferecer alto desempenho, confiabilidade e eficiência energética em sistemas de refrigeração comercial e industrial. Desenvolvidos com tecnologia de ponta, esses compressores garantem operação silenciosa e duradoura, atendendo a uma ampla gama de aplicações — desde câmaras frigoríficas e balcões expositores até unidades condensadoras e sistemas de refrigeração de processo.
Com uma linha completa de modelos para baixa, média e alta temperatura, os compressores herméticos Danfoss se destacam pela robustez construtiva, baixo consumo de energia e compatibilidade com diversos refrigerantes. Essa versatilidade permite flexibilidade em projetos e facilidade na reposição, otimizando o estoque e reduzindo custos de manutenção.
A Danfoss une inovação e engenharia de precisão para oferecer soluções confiáveis e eficientes, garantindo o equilíbrio ideal entre desempenho, economia e sustentabilidade em cada aplicação.
Clique no ➕ para ver as informações do produto e no ➖ para fechar.
Compressor Recíproco MT160 – 3 Fases
Tipo: Hermético Recíproco
Família: MT
Modelo: MT160HW3DVE
Aplicação: Refrigeração MT
Refrigerante: R22
Tecnologia: Recíproco
Controle de capacidade: Velocidade fixa
Fase / Tensão / Frequência: 3 / 200-230 V / 60 Hz
Velocidade rotacional: 3500 rpm (60 Hz)
Potência (MCC/LRA): 70 A / 259 A
Proteção do motor: Protetor interno de sobrecarga
Dimensões:
Altura total: 540 mm
Diâmetro: 352 mm
Conexão de sucção: 1 3/4” Rotolock (altura 233 mm)
Conexão de descarga: 1 1/4” Rotolock (altura 125 mm)
Tipo de conexão: Rotolock
Tamanho do tubo de sucção: 1 1/8”
Tamanho do tubo de descarga: 3/4”
Pressões e Temperaturas:
HP de teste: 30 bar | LP de teste: 25 bar
Pressão máx. alta/baixa: 27.8 / 18.4 bar
Temperatura alta máx/mín: 150 °C / -35 °C
Temperatura baixa máx/mín: 50 °C / -35 °C
Óleo:
Tipo: 160P
Carga: 3.9 L
Equalização: Rosca 3/8” SAE
Torque de equalização: 30 N·m
Viscosidade: 32 cP
Carga de refrigerante (máx): 10 kg
Número de cilindros: 4
Volume de cilindrada: 271.55 cm³
Volume lado alta / baixa: 1.2 L / 31 L
Conexões elétricas: Conectores parafuso 10-32 UNF x 9,5
Resistência de enrolamento (trifásico): 0.28 Ω
Torque de montagem: 50 N·m
Torque de válvula de descarga: 50 N·m
Montagem: Kit de montagem com calços, parafusos, porcas, luvas e arruelas
Aterramento: 3 N·m
Classe de proteção: IP54 (com prensa cabo)
Certificações: CE, UL, UKCA, RoHS (UE e China – com isenções 6(a), 6(c), 7.1, 7.3)
Instruções: Inclui manual de instalação
Cor: Azul
Economizador: Não
Ciclos/hora (máx): 12
Embalagem:
Tipo: Individual
Dimensões (C x L x A): 720 x 400 x 570 mm
Peso líquido: 71 kg | Bruto: 74.5 kg
Volume: 100.754 L
EAN: 5702428839877
Conteúdo: Luvas de solda de sucção e descarga, porcas Rotolock e gaxetas
Compressor Recíproco MT160 – 3 Fases
Tipo: Hermético Recíproco
Família: MT
Modelo: MT160HW9BVE
Aplicação: Refrigeração MT
Refrigerante: R22
Tecnologia: Recíproco
Controle de capacidade: Velocidade fixa
Fase / Tensão / Frequência: 3 / 380-400 V / 60 Hz
Velocidade rotacional: 3500 rpm (60 Hz)
Potência (MCC/LRA): 46 A / 165 A
Proteção do motor: Protetor interno de sobrecarga
Dimensões:
Altura total: 540 mm
Diâmetro: 352 mm
Conexão de sucção: 1 3/4” Rotolock (altura 233 mm)
Conexão de descarga: 1 1/4” Rotolock (altura 125 mm)
Tipo de conexão: Rotolock
Tamanho do tubo de sucção: 1 1/8”
Tamanho do tubo de descarga: 3/4”
Pressões e Temperaturas:
HP de teste: 30 bar | LP de teste: 25 bar
Pressão máx. alta/baixa: 27.8 / 18.4 bar
Temperatura alta máx/mín: 150 °C / -35 °C
Temperatura baixa máx/mín: 50 °C / -35 °C
Óleo:
Tipo: 160P
Carga: 3.9 L
Equalização: Rosca 3/8” SAE
Torque de equalização: 30 N·m
Viscosidade: 32 cP
Carga de refrigerante (máx): 10 kg
Número de cilindros: 4
Volume de cilindrada: 271.55 cm³
Volume lado alta / baixa: 1.2 L / 31 L
Conexões elétricas: Conectores parafuso 10-32 UNF x 9,5
Resistência de enrolamento (trifásico): 0.82 Ω
Torque de montagem: 50 N·m
Torque de válvula de descarga: 50 N·m
Montagem: Kit de montagem com calços, parafusos, porcas, luvas e arruelas
Aterramento: 3 N·m
Classe de proteção: IP54 (com prensa cabo)
Certificações: CE, UL, UKCA, RoHS (UE e China – com isenções 6(a), 6(c), 7.1, 7.3)
Instruções: Inclui manual de instalação
Cor: Azul
Economizador: Não
Ciclos/hora (máx): 12
Embalagem:
Tipo: Individual
Dimensões (C x L x A): 720 x 400 x 570 mm
Peso líquido: 71 kg | Bruto: 74.5 kg
Volume: 100.754 L
EAN: 5702428662673
Conteúdo: Luvas de solda de sucção e descarga, porcas Rotolock e gaxetas
Compressor Recíproco MT160 – 3 Fases
Tipo: Hermético Recíproco
Família: MT
Modelo: MT160HW4EVE
Aplicação: Refrigeração MT
Refrigerante: R22
Tecnologia: Recíproco
Controle de capacidade: Velocidade fixa
Fase / Tensão / Frequência: 3 / 400 V (50 Hz) / 460 V (60 Hz)
Velocidade rotacional: 2900 rpm (50 Hz) / 3500 rpm (60 Hz)
Potência (MCC/LRA): 36 A / 130 A
Proteção do motor: Protetor interno de sobrecarga
Dimensões:
Altura total: 540 mm
Diâmetro: 352 mm
Conexão de sucção: 1 3/4” Rotolock (altura 233 mm)
Conexão de descarga: 1 1/4” Rotolock (altura 125 mm)
Tipo de conexão: Rotolock
Tamanho do tubo de sucção: 1 1/8”
Tamanho do tubo de descarga: 3/4”
Pressões e Temperaturas:
HP de teste: 30 bar | LP de teste: 25 bar
Pressão máx. alta/baixa: 27.8 / 18.4 bar
Temperatura alta máx/mín: 150 °C / -35 °C
Temperatura baixa máx/mín: 50 °C / -35 °C
Óleo:
Tipo: 160P
Carga: 3.9 L
Equalização: Rosca 3/8” SAE
Torque de equalização: 30 N·m
Viscosidade: 32 cP
Carga de refrigerante (máx): 10 kg
Número de cilindros: 4
Volume de cilindrada: 271.55 cm³
Volume lado alta / baixa: 1.2 L / 31 L
Conexões elétricas: Conectores parafuso 10-32 UNF x 9,5
Resistência de enrolamento (trifásico): 1.15 Ω
Torque de montagem: 50 N·m
Torque de válvula de descarga: 50 N·m
Montagem: Kit de montagem com calços, parafusos, porcas, luvas e arruelas
Aterramento: 3 N·m
Classe de proteção: IP54 (com prensa cabo)
Certificações: CE, UL, UKCA, RoHS (UE e China – com isenções 6(a), 6(c), 7.1, 7.3)
Instruções: Inclui manual de instalação
Cor: Azul
Economizador: Não
Ciclos/hora (máx): 12
Embalagem:
Tipo: Individual
Dimensões (C x L x A): 720 x 400 x 570 mm
Peso líquido: 71 kg | Bruto: 74.5 kg
Volume: 150.48 L
EAN: 5702428839860
Conteúdo: Luvas de solda de sucção e descarga, porcas Rotolock e gaxetas

