Soluções completas em equipamentos e componentes para refrigeração industrial, comercial e profissional.
Nossos Produtos

Compressores Recíproco MT28 R22 1,5HP Danfoss
Modelo MT28
Compressores Recíprocos Herméticos Danfoss
Os compressores recíprocos herméticos Danfoss são projetados para oferecer alto desempenho, confiabilidade e eficiência energética em sistemas de refrigeração comercial e industrial. Desenvolvidos com tecnologia de ponta, esses compressores garantem operação silenciosa e duradoura, atendendo a uma ampla gama de aplicações — desde câmaras frigoríficas e balcões expositores até unidades condensadoras e sistemas de refrigeração de processo.
Com uma linha completa de modelos para baixa, média e alta temperatura, os compressores herméticos Danfoss se destacam pela robustez construtiva, baixo consumo de energia e compatibilidade com diversos refrigerantes. Essa versatilidade permite flexibilidade em projetos e facilidade na reposição, otimizando o estoque e reduzindo custos de manutenção.
A Danfoss une inovação e engenharia de precisão para oferecer soluções confiáveis e eficientes, garantindo o equilíbrio ideal entre desempenho, economia e sustentabilidade em cada aplicação.
Clique no ➕ para ver as informações do produto e no ➖ para fechar.
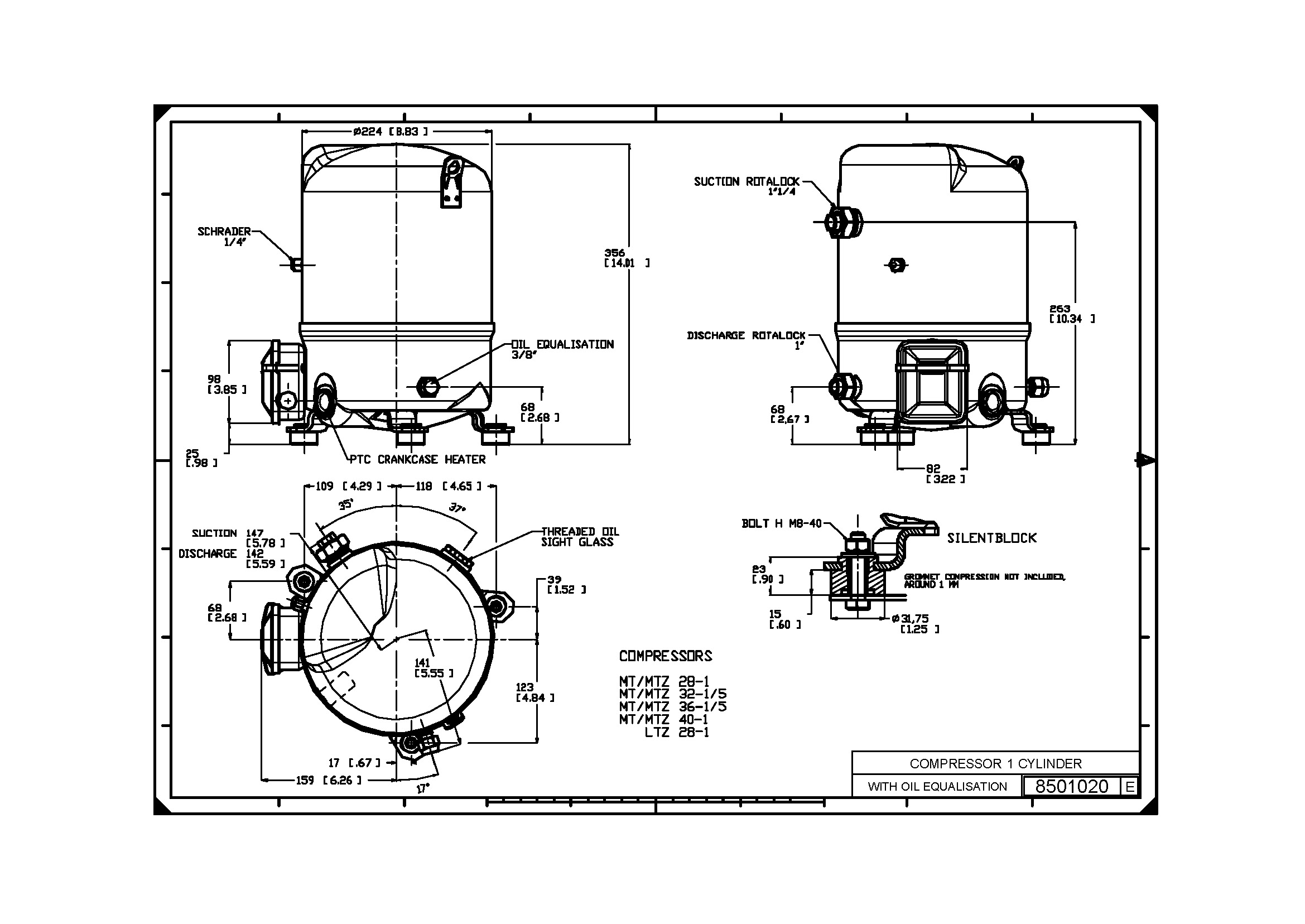
Compressor Recíproco MT028 – 1 Fase
Tipo: Hermético Recíproco
Família: MT
Modelo: MT28JE1RVE
Aplicação: Refrigeração MT
Refrigerante: R22
Tecnologia: Recíproco
Controle de capacidade: Velocidade fixa
Fase / Tensão / Frequência: 1 / 208-230 V / 60 Hz
Velocidade rotacional: 3500 rpm
Potência (RLA/MCC/LRA): – / 25 A / 81 A
Proteção do motor: Protetor interno de sobrecarga
Dimensões:
Altura total: 356 mm
Diâmetro: 224 mm
Conexão de sucção: 5/8 in ODF (altura 263 mm)
Conexão de descarga: 1/2 in ODF (altura 68 mm)
Tipo de conexão: Rotolock
Pressões e Temperaturas:
HP teste: 30 bar | LP teste: 25 bar
Pressão máx. alta/baixa: 29.4 bar / 18.4 bar
Temperatura alta máx/mín: 150 °C / -35 °C
Temperatura baixa máx/mín: 50 °C / -35 °C
Óleo:
Tipo: 160P
Carga: 0.95 L
Equalização: Rosca 3/8" SAE
Torque de equalização: 30 N·m
Carga de refrigerante (máx): 2.5 kg
Viscosidade do óleo: 32 cP
Volume de cilindrada: 48.06 cm³
Volume lado alta / baixa: 0.3 L / 7.5 L
Conexões elétricas: Pá
Torque de montagem: 15 N·m
Torque de válvula de descarga: 50 N·m
Montagem: Kit de montagem com calços, parafusos, porcas, luvas e arruelas
Aterramento: 3 N·m
Classe de proteção: IP55 (com prensa cabo)
Certificações: CE, UL, UKCA, RoHS (China e EU – com isenções)
Instruções: Inclui manual de instalação
Cor: Azul
Economizador: Não
IDV:
Ciclos/hora (máx): 12
Uso em rede elétrica: 208-230 V / 1 / 60 Hz
Embalagem:
Tipo: Individual
Dimensões (C x L x A): 385 mm x 295 mm x 330 mm
Peso líquido: 23 kg | Bruto: 24.88 kg
Acessórios enviados: Luvas de solda de sucção e descarga, porcas Rotolock e gaxetas
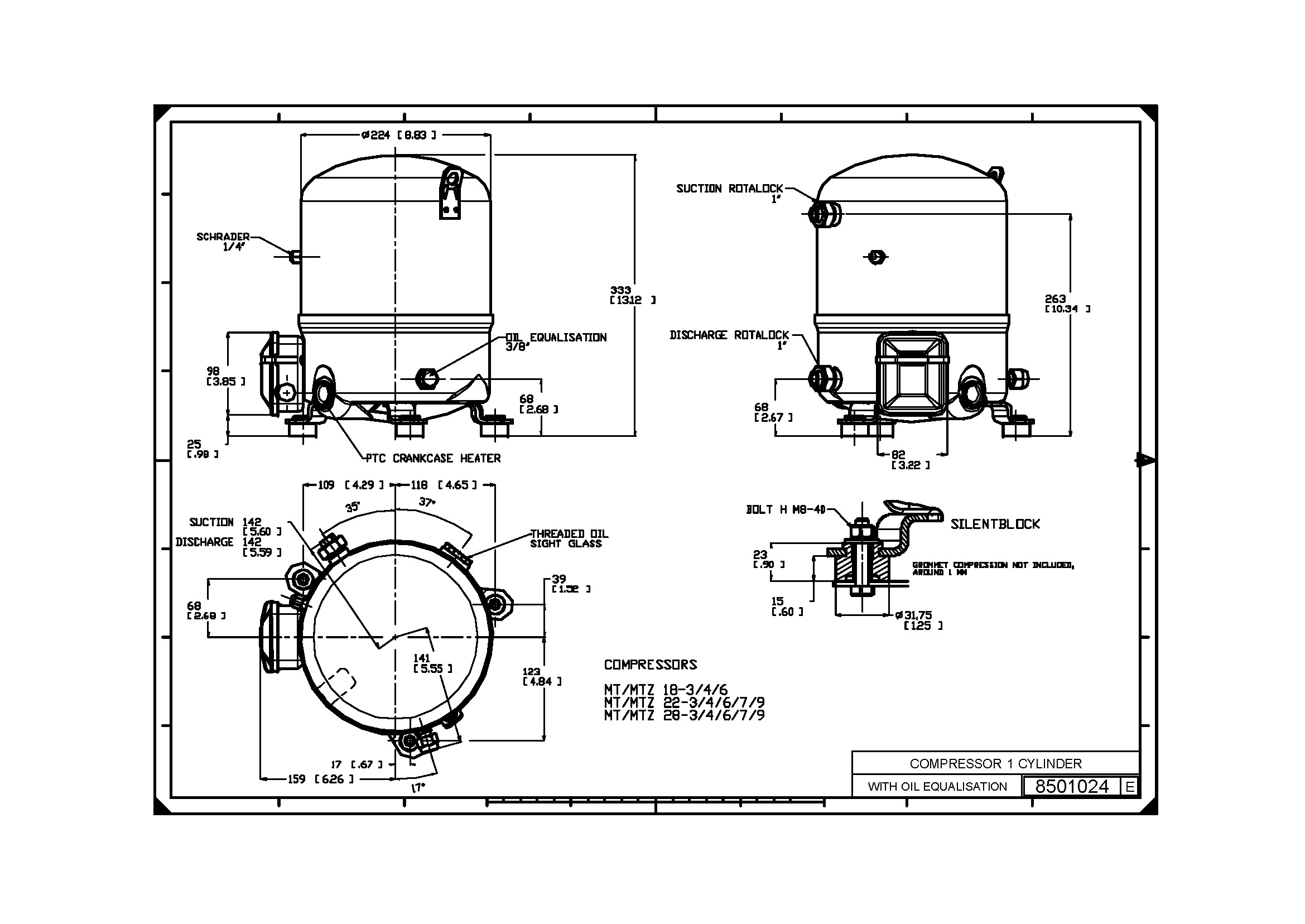
Compressor Recíproco MT028 – 3 Fases
Tipo: Hermético Recíproco
Família: MT
Modelo: MT28JE3MVE
Aplicação: Refrigeração MT
Refrigerante: R22
Tecnologia: Recíproco
Controle de capacidade: Velocidade fixa
Fase / Tensão / Frequência: 3 / 200-230 V / 60 Hz
Velocidade rotacional: 3500 rpm
Potência (RLA/MCC/LRA): – / 16 A / 57 A
Proteção do motor: Protetor interno de sobrecarga
Dimensões:
Altura total: 333 mm
Diâmetro: 224 mm
Conexão de sucção: 1/2 in ODF (altura 263 mm)
Conexão de descarga: 3/8 in ODF (altura 68 mm)
Tipo de conexão: Rotolock
Pressões e Temperaturas:
HP teste: 30 bar | LP teste: 25 bar
Pressão máx. alta/baixa: 29.4 bar / 18.4 bar
Temperatura alta máx/mín: 150 °C / -35 °C
Temperatura baixa máx/mín: 50 °C / -35 °C
Óleo:
Tipo: 160P
Carga: 0.95 L
Equalização: Rosca 3/8" SAE
Torque de equalização: 30 N·m
Carga de refrigerante (máx): 2.5 kg
Viscosidade do óleo: 32 cP
Volume de cilindrada: 48.06 cm³
Volume lado alta / baixa: 0.3 L / 7.5 L
Conexões elétricas: Pá
Torque de montagem: 15 N·m
Torque de válvula de descarga: 50 N·m
Montagem: Kit de montagem com calços, parafusos, porcas, luvas e arruelas
Aterramento: 3 N·m
Classe de proteção: IP55 (com prensa cabo)
Certificações: CE, UL, UKCA, RoHS (China e EU – com isenções)
Instruções: Inclui manual de instalação
Cor: Azul
Economizador: Não
IDV:
Ciclos/hora (máx): 12
Uso em rede elétrica: 208-230 V / 3 / 60 Hz
Embalagem:
Tipo: Individual
Dimensões (C x L x A): 385 mm x 295 mm x 330 mm
Peso líquido: 23 kg | Bruto: 24.88 kg
Acessórios enviados: Luvas de solda de sucção e descarga, porcas Rotolock e gaxetas

