Soluções completas em equipamentos e componentes para refrigeração industrial, comercial e profissional.
Nossos Produtos

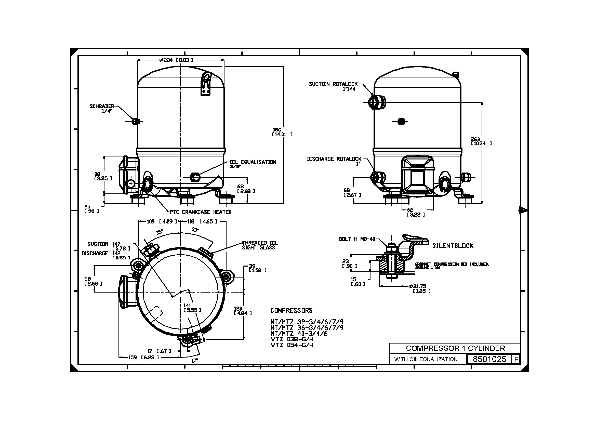
Compressores Recíproco MT32 R22 2,5HP Danfoss
Modelo MT32
Compressores Recíprocos Herméticos Danfoss
Os compressores recíprocos herméticos Danfoss são projetados para oferecer alto desempenho, confiabilidade e eficiência energética em sistemas de refrigeração comercial e industrial. Desenvolvidos com tecnologia de ponta, esses compressores garantem operação silenciosa e duradoura, atendendo a uma ampla gama de aplicações — desde câmaras frigoríficas e balcões expositores até unidades condensadoras e sistemas de refrigeração de processo.
Com uma linha completa de modelos para baixa, média e alta temperatura, os compressores herméticos Danfoss se destacam pela robustez construtiva, baixo consumo de energia e compatibilidade com diversos refrigerantes. Essa versatilidade permite flexibilidade em projetos e facilidade na reposição, otimizando o estoque e reduzindo custos de manutenção.
A Danfoss une inovação e engenharia de precisão para oferecer soluções confiáveis e eficientes, garantindo o equilíbrio ideal entre desempenho, economia e sustentabilidade em cada aplicação.
Clique no ➕ para ver as informações do produto e no ➖ para fechar.
Compressor Recíproco MT032 – 3 Fases
Tipo: Hermético Recíproco
Família: MT
Modelo: MT32JF3EVE
Aplicação: Refrigeração MT
Refrigerante: R22
Tecnologia: Recíproco
Controle de capacidade: Velocidade fixa
Fase / Tensão / Frequência: 3 / 200–230 V / 60 Hz
Velocidade rotacional: 3500 rpm
Potência (RLA/MCC/LRA): — / 18 A / 60 A
Proteção do motor: Protetor interno de sobrecarga
Dimensões:
Altura total: 356 mm
Diâmetro: 224 mm
Conexão de sucção: 1 1/4" ODF (altura 263 mm)
Conexão de descarga: 1" ODF (altura 68 mm)
Tipo de conexão: Rotolock
Pressões e Temperaturas:
HP teste: 30 bar | LP teste: 25 bar
Pressão máx. alta/baixa: 29.4 bar / 18.4 bar
Temperatura alta máx/mín: 150 °C / -35 °C
Temperatura baixa máx/mín: 50 °C / -35 °C
Óleo:
Tipo: Óleo 160P
Carga: 0.95 L
Equalização: Rosca de 3/8" SAE
Torque de equalização: 30 N·m
Carga de refrigerante (máx): 2.5 kg
Viscosidade do óleo: 32 cP
Volume de cilindrada: 53.86 cm³
Volume lado alta / baixa: 0.3 L / 7.5 L
Conexões elétricas: Pá
Torque de montagem: 15 N·m
Torque de válvula de descarga: 50 N·m
Montagem: Kit de montagem com calços, parafusos, porcas, luvas e arruelas
Aterramento: 3 N·m
Classe de proteção: IP55 (com prensa cabo)
Certificações: CE, UL, UKCA, RoHS (com isenções)
Instruções: Inclui manual de instalação
Cor: Azul
Economizador: Não
IDV: —
Ciclos/hora (máx): 12
Uso em rede elétrica: 208–230 V / 3 Fases / 60 Hz
Embalagem:
Tipo: Individual
Dimensões (C x L x A): 330 mm x 295 mm x 385 mm
Peso líquido: 25 kg | Bruto: 26.88 kg
Observações adicionais:
Acessórios enviados: Luvas de solda de sucção e descarga, porcas Rotolock e gaxetas.
Comentário: Enviado somente com versão Rotolock.
Substâncias RoHS: Lead (CAS nº 7439-92-1).
SCIP nº: 5a332c1b-1d1b-4998-8115-d0929877ecb4.
Compressor Recíproco MT032 – 3 Fases
Tipo: Hermético Recíproco
Família: MT
Modelo: MT32JF9AVE
Aplicação: Refrigeração MT
Refrigerante: R22
Tecnologia: Recíproco
Controle de capacidade: Velocidade fixa
Fase / Tensão / Frequência: 3 / 380–400 V / 60 Hz
Velocidade rotacional: 3500 rpm
Potência (RLA/MCC/LRA): — / 9 A / 35 A
Proteção do motor: Protetor interno de sobrecarga
Dimensões:
Altura total: 356 mm
Diâmetro: 224 mm
Conexão de sucção: 1 1/4" ODF (altura 263 mm)
Conexão de descarga: 1" ODF (altura 68 mm)
Tipo de conexão: Rotolock
Pressões e Temperaturas:
HP teste: 30 bar | LP teste: 25 bar
Pressão máx. alta/baixa: 29.4 bar / 18.4 bar
Temperatura alta máx/mín: —
Temperatura baixa máx/mín: —
Óleo:
Tipo: Óleo 160P
Carga: 0.95 L
Equalização: Rosca de 3/8" SAE
Torque de equalização: 30 N·m
Carga de refrigerante (máx): 2.5 kg
Viscosidade do óleo: 32 cP
Volume de cilindrada: 53.86 cm³
Volume lado alta / baixa: —
Conexões elétricas: Pá
Torque de montagem: 15 N·m
Torque de válvula de descarga: 50 N·m
Montagem: Kit de montagem com calços, parafusos, porcas, luvas e arruelas
Aterramento: 3 N·m
Classe de proteção: IP55 (com prensa cabo)
Certificações: CE, UL, UKCA, RoHS (com isenções)
Instruções: Inclui manual de instalação
Cor: Azul
Economizador: Não
IDV: —
Ciclos/hora (máx): 12
Uso em rede elétrica: 380–400 V / 3 Fases / 60 Hz
Embalagem:
Tipo: Individual
Dimensões (C x L x A): 330 mm x 295 mm x 385 mm
Peso líquido: 25 kg | Bruto: 26.88 kg
Observações adicionais:
Acessórios enviados: Luvas de solda de sucção e descarga, porcas Rotolock e gaxetas.
Comentário: Enviado somente com versão Rotolock.
Substâncias RoHS: Lead (CAS nº 7439-92-1).
SCIP nº: 5a332c1b-1d1b-4998-8115-d0929877ecb4.

