Soluções completas em equipamentos e componentes para refrigeração industrial, comercial e profissional.
Nossos Produtos

Compressores Recíproco MTZ160 R134/R404 13HP Danfoss
Modelo MTZ160
Compressores Recíprocos Herméticos Danfoss
Os compressores recíprocos herméticos Danfoss são projetados para oferecer alto desempenho, confiabilidade e eficiência energética em sistemas de refrigeração comercial e industrial. Desenvolvidos com tecnologia de ponta, esses compressores garantem operação silenciosa e duradoura, atendendo a uma ampla gama de aplicações — desde câmaras frigoríficas e balcões expositores até unidades condensadoras e sistemas de refrigeração de processo.
Com uma linha completa de modelos para baixa, média e alta temperatura, os compressores herméticos Danfoss se destacam pela robustez construtiva, baixo consumo de energia e compatibilidade com diversos refrigerantes. Essa versatilidade permite flexibilidade em projetos e facilidade na reposição, otimizando o estoque e reduzindo custos de manutenção.
A Danfoss une inovação e engenharia de precisão para oferecer soluções confiáveis e eficientes, garantindo o equilíbrio ideal entre desempenho, economia e sustentabilidade em cada aplicação.
Clique no ➕ para ver as informações do produto e no ➖ para fechar.
Compressor Recíproco MTZ160 – 3 Fases
Tipo: Hermético Recíproco
Família: MTZ
Modelo: MTZ160-3 / MTZ160HW3AVE
Aplicação: Refrigeração MT
Refrigerantes compatíveis: R134a, R404A, R407A, R407C, R407F, R448A, R449A, R452A, R513A, R454C, R454A, R455A
Tecnologia: Recíproco
Controle de capacidade: Velocidade fixa
Fase / Tensão / Frequência: 3 / 208-230 V / 60 Hz
Velocidade rotacional: 60 Hz – 3500 rpm
Potência elétrica (MCC / LRA): 70 A / 259 A
Resistência de enrolamento (trifásico): 0.28 Ω
Proteção do motor: Protetor interno de sobrecarga
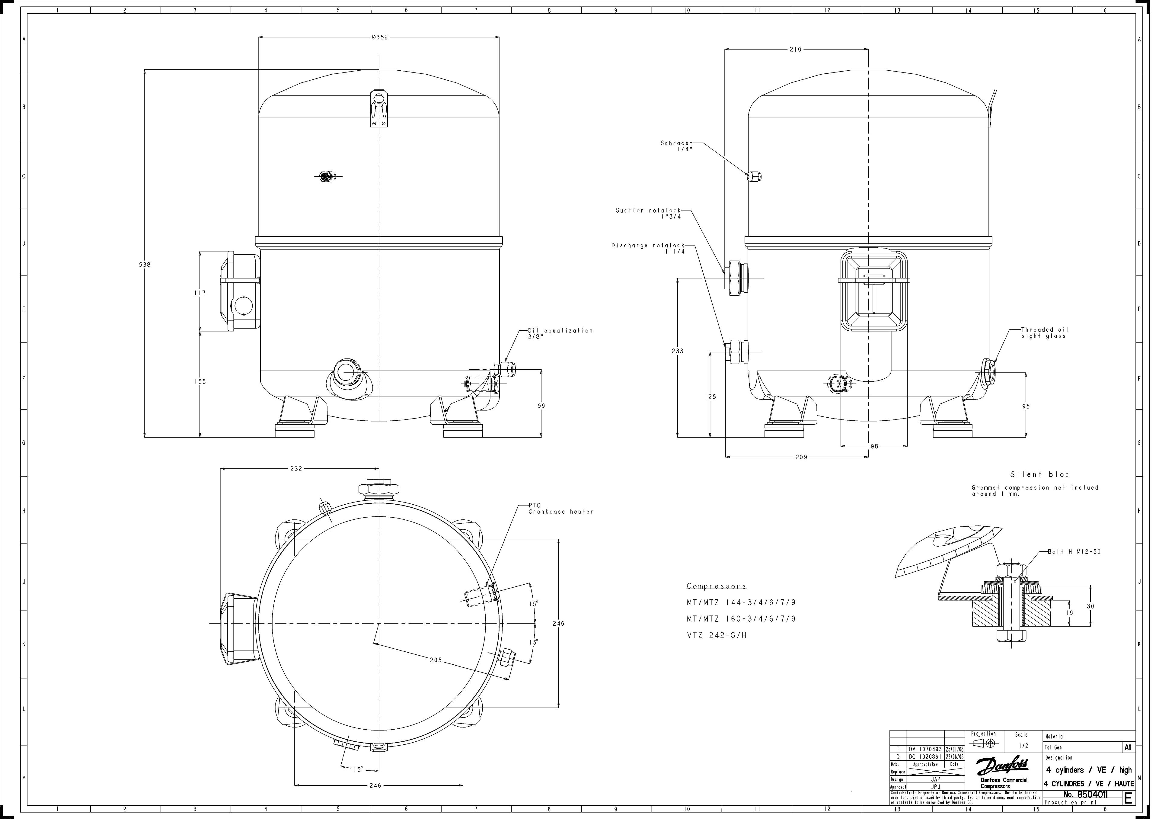
Dimensões:
Altura total: 540 mm
Diâmetro: 352 mm
Conexão de sucção: 1 3/4 in – Rotolock (altura 233 mm)
Conexão de descarga: 1 1/4 in – Rotolock (altura 125 mm)
Tipo de conexão: Rotolock (luvas de solda de sucção e descarga, porcas Rotolock e gaxetas inclusas)
Pressões e Temperaturas:
HP de teste: 30 bar | LP de teste: 25 bar
Pressão máxima alta/baixa: 29.4 bar / 22.6 bar
Temperatura máxima lado alta/baixa: 150 °C / 50 °C
Temperatura mínima lado alta/baixa: -35 °C / -35 °C
Óleo:
Tipo: 175PZ
Carga inicial: 3.9 L
Equalização: Rosca 3/8" SAE
Torque de equalização: 30 N·m
Carga de refrigerante (máx): 10 kg
Cilindros: 4
Volume de cilindrada: 271.55 cm³
Volume lado alta / baixa: 1.2 L / 31 L
Conexões elétricas: Conectores parafuso 10-32 UNF x 9,5
Torque de montagem: 50 N·m
Torque válvula de descarga: 50 N·m
Torque gaxeta de descarga: 15 N·m
Aterramento: 3 N·m
Classe de proteção: IP54 (com prensa cabo)
Montagem: Kit de montagem com calços, parafusos, porcas, luvas e arruelas
Economizador: Não
Ciclos por hora (máx): 12
Cor: Azul
Certificações: CE, UL, UKCA, China RoHS (isenções 7.1 e 7.3), EU RoHS (isenções 6(a) e 6(c)), REACH (Chumbo CAS 7439-92-1)
SCIP dossier nº: 6971587b-85b6-4808-886d-274e8a9998d4
WEEE: Fora do escopo
Baterias: Não contém
Instruções enviadas: Manual de Instalação
Padrão de encaixe: Rotolock
Comentário sobre o encaixe: Enviado somente com versão Rotolock
Portas de manômetro: LP – Schrader | HP – Nenhum
Embalagem:
Tipo: Individual
Dimensões (C x L x A): 570 mm × 400 mm × 720 mm
Peso líquido: 71 kg | Bruto: 74.75 kg
Volume: 148.2 L
Quantidade por embalagem: 1
EAN: 5702428888271
Compressor Recíproco MTZ160 – 3 Fases
Tipo: Hermético Recíproco
Família: MTZ
Modelo: MTZ160-9 / MTZ160HW9BVE
Aplicação: Refrigeração MT
Refrigerantes compatíveis: R134a, R404A, R407A, R407C, R407F, R448A, R449A, R452A, R513A
Tecnologia: Recíproco
Controle de capacidade: Velocidade fixa
Fase / Tensão / Frequência: 3 / 380-400 V / 60 Hz
Velocidade rotacional: 60 Hz – 3500 rpm
Potência elétrica (MCC / LRA): 46 A / 165 A
Resistência de enrolamento (trifásico): 0.82 Ω
Proteção do motor: Protetor interno de sobrecarga
Dimensões:
Altura total: 540 mm
Diâmetro: 352 mm
Conexão de sucção: 1 3/4 in – Rotolock (altura 233 mm)
Conexão de descarga: 1 1/4 in – Rotolock (altura 125 mm)
Tipo de conexão: Rotolock (luvas de solda de sucção e descarga, porcas Rotolock e gaxetas inclusas)
Pressões e Temperaturas:
HP de teste: 30 bar | LP de teste: 25 bar
Pressão máxima alta/baixa: 29.4 bar / 22.6 bar
Temperatura máxima lado alta/baixa: 150 °C / 50 °C
Temperatura mínima lado alta/baixa: -35 °C / -35 °C
Óleo:
Tipo: 175PZ
Carga inicial: 3.9 L
Equalização: Rosca 3/8" SAE
Torque de equalização: 30 N·m
Carga de refrigerante (máx): 10 kg
Cilindros: 4
Volume de cilindrada: 271.55 cm³
Volume lado alta / baixa: 1.2 L / 31 L
Conexões elétricas: Conectores parafuso 10-32 UNF x 9,5
Torque de montagem: 50 N·m
Torque válvula de descarga: 50 N·m
Torque gaxeta de descarga: 15 N·m
Aterramento: 3 N·m
Classe de proteção: IP54 (com prensa cabo)
Montagem: Kit de montagem com calços, parafusos, porcas, luvas e arruelas
Economizador: Não
Ciclos por hora (máx): 12
Cor: Azul
Certificações: CE, UL, UKCA, China RoHS (isenções 7.1 e 7.3), EU RoHS (isenções 6(a) e 6(c)), REACH (Chumbo CAS 7439-92-1)
SCIP dossier nº: 6971587b-85b6-4808-886d-274e8a9998d4
WEEE: Fora do escopo
Baterias: Não contém
Instruções enviadas: Manual de Instalação
Padrão de encaixe: Rotolock
Comentário sobre o encaixe: Enviado somente com versão Rotolock
Portas de manômetro: LP – Schrader | HP – Nenhum
Embalagem:
Tipo: Individual
Dimensões (C x L x A): 570 mm × 400 mm × 720 mm
Peso líquido: 71 kg | Bruto: 74.75 kg
Volume: 100.754 L
Quantidade por embalagem: 1
EAN: 5702428655514
Compressor Recíproco MTZ160 – 3 Fases
Tipo: Hermético Recíproco
Família: MTZ
Modelo: MTZ160-4 / MTZ160HW4AVE
Aplicação: Refrigeração MT
Refrigerantes compatíveis: R134a, R404A, R407A, R407C, R407F, R448A, R449A, R452A, R513A, R454C, R454A, R455A
Tecnologia: Recíproco
Controle de capacidade: Velocidade fixa
Fase / Tensão / Frequência: 3 / 380-400 V / 50 Hz, 460 V / 60 Hz
Velocidade rotacional: 50 Hz – 2900 rpm | 60 Hz – 3500 rpm
Potência elétrica (MCC / LRA): 36 A / 130 A
Resistência de enrolamento (trifásico): 1.15 Ω
Proteção do motor: Protetor interno de sobrecarga
Dimensões:
Altura total: 540 mm
Diâmetro: 352 mm
Conexão de sucção: 1 3/4 in – Rotolock (altura 233 mm)
Conexão de descarga: 1 1/4 in – Rotolock (altura 125 mm)
Tipo de conexão: Rotolock (luvas de solda de sucção e descarga, porcas Rotolock e gaxetas inclusas)
Pressões e Temperaturas:
HP de teste: 30 bar | LP de teste: 25 bar
Pressão máxima alta/baixa: 29.4 bar / 22.6 bar
Temperatura máxima lado alta/baixa: 150 °C / 50 °C
Temperatura mínima lado alta/baixa: -35 °C / -35 °C
Óleo:
Tipo: 175PZ
Carga inicial: 3.9 L
Equalização: Rosca 3/8" SAE
Torque de equalização: 30 N·m
Carga de refrigerante (máx): 10 kg
Cilindros: 4
Volume de cilindrada: 271.55 cm³
Volume lado alta / baixa: 1.2 L / 31 L
Conexões elétricas: Conectores parafuso 10-32 UNF x 9,5
Torque de montagem: 50 N·m
Torque válvula de descarga: 50 N·m
Torque gaxeta de descarga: 15 N·m
Aterramento: 3 N·m
Classe de proteção: IP54 (com prensa cabo)
Montagem: Kit de montagem com calços, parafusos, porcas, luvas e arruelas
Economizador: Não
Ciclos por hora (máx): 12
Cor: Azul
Certificações: CE, UL, UKCA, China RoHS (isenções 7.1 e 7.3), EU RoHS (isenções 6(a) e 6(c)), REACH (Chumbo CAS 7439-92-1)
SCIP dossier nº: 6971587b-85b6-4808-886d-274e8a9998d4
WEEE: Fora do escopo
Baterias: Não contém
Instruções enviadas: Manual de Instalação
Padrão de encaixe: Rotolock
Comentário sobre o encaixe: Enviado somente com versão Rotolock
Portas de manômetro: LP – Schrader | HP – Nenhum
Embalagem:
Tipo: Individual
Dimensões (C x L x A): 570 mm × 400 mm × 720 mm
Peso líquido: 71 kg | Bruto: 74.75 kg
Volume: 100.754 L
Quantidade por embalagem: 1
EAN: 5702428963282

