Soluções completas em equipamentos e componentes para refrigeração industrial, comercial e profissional.
Nossos Produtos

Compressores Recíproco MTZ28 R134/R404 2HP Danfoss
Modelo MTZ28
Compressores Recíprocos Herméticos Danfoss
Os compressores recíprocos herméticos Danfoss são projetados para oferecer alto desempenho, confiabilidade e eficiência energética em sistemas de refrigeração comercial e industrial. Desenvolvidos com tecnologia de ponta, esses compressores garantem operação silenciosa e duradoura, atendendo a uma ampla gama de aplicações — desde câmaras frigoríficas e balcões expositores até unidades condensadoras e sistemas de refrigeração de processo.
Com uma linha completa de modelos para baixa, média e alta temperatura, os compressores herméticos Danfoss se destacam pela robustez construtiva, baixo consumo de energia e compatibilidade com diversos refrigerantes. Essa versatilidade permite flexibilidade em projetos e facilidade na reposição, otimizando o estoque e reduzindo custos de manutenção.
A Danfoss une inovação e engenharia de precisão para oferecer soluções confiáveis e eficientes, garantindo o equilíbrio ideal entre desempenho, economia e sustentabilidade em cada aplicação.
Clique no ➕ para ver as informações do produto e no ➖ para fechar.
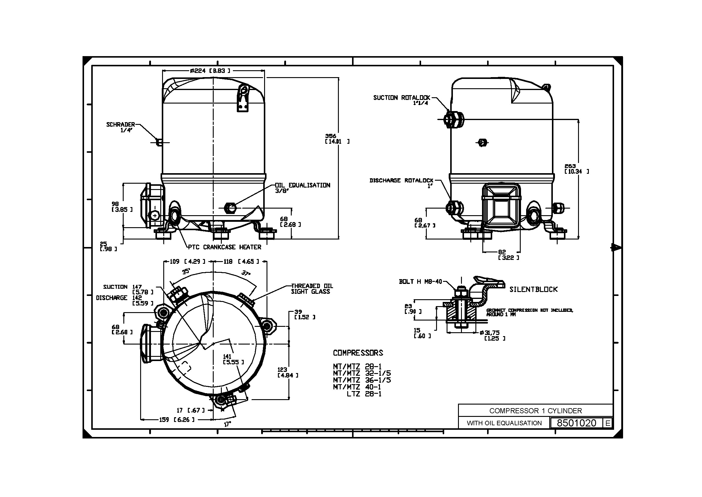
Compressor Recíproco MTZ028 – Monofásico
Tipo: Hermético Recíproco
Família: MTZ
Modelo: MTZ028-1
Aplicação: Refrigeração
Refrigerantes: R134a, R404A, R407A, R407C, R407F, R448A, R449A, R452A, R513A, R454C, R455A, R454A
Tecnologia: Recíproco
Controle de capacidade: Velocidade fixa
Fase / Tensão / Frequência: 1 / 208-230 V / 60 Hz
Resistência de enrolamento principal: 0.68 Ohm
Resistência de enrolamento auxiliar: 1.84 Ohm
Velocidade rotacional: 3500 rpm
LRA / MCC: 81 A / 25 A
Proteção do motor: Protetor interno de sobrecarga
Dimensões:
Peso líquido: 23 kg
Peso bruto: 24.88 kg
Volume da embalagem: 37.734 L
Altura da conexão de sucção: 263 mm
Altura da conexão de descarga: 68 mm
Altura total: 356 mm
Diâmetro: 224 mm
Conexões:
Tipo de conexão: Rotolock
Luva de encaixe: ODF
Tamanho da conexão de sucção: 1 1/4 in (tubo 5/8 in)
Tamanho da conexão de descarga: 1 in (tubo 1/2 in)
Pressões:
HP de Fábrica: 25 bar | HP teste (Máx): 30 bar
LP de Fábrica: 25 bar | LP teste (Máx): 25 bar
Max pressure high side: 29.4 bar | Max pressure low side: 22.6 bar
Teste Dif (Máx): 30 bar
Óleo e equalização:
Referência do óleo: 175PZ
Carga de óleo: Inicial 0.95 L
Equalização do óleo: Rosca 3/8" SAE
Torque da equalização de óleo: 30 N-m
Torque de montagem: 15 N-m
Gaxeta de descarga: 15 N-m
Válvula de descarga: 50 N-m
Capacitores:
Capacitor A: 25 µF / 440 V
Capacitor B: 135 µF / 330 V
Capacitor C: 25 µF / 440 V
Certificações: CE, UL, UKCA, RoHS (UE e China – com isenções 6(a), 6(c), 7.1, 7.3)
Instruções enviadas: Instalação
Cor: Azul
Classe de proteção: IP55 (com prensa cabo)
Montagem: Kit com calços, parafusos, porcas, luvas e arruelas
Quantidade por embalagem: 1
Formato da embalagem: Individual
EAN: 5702428980555
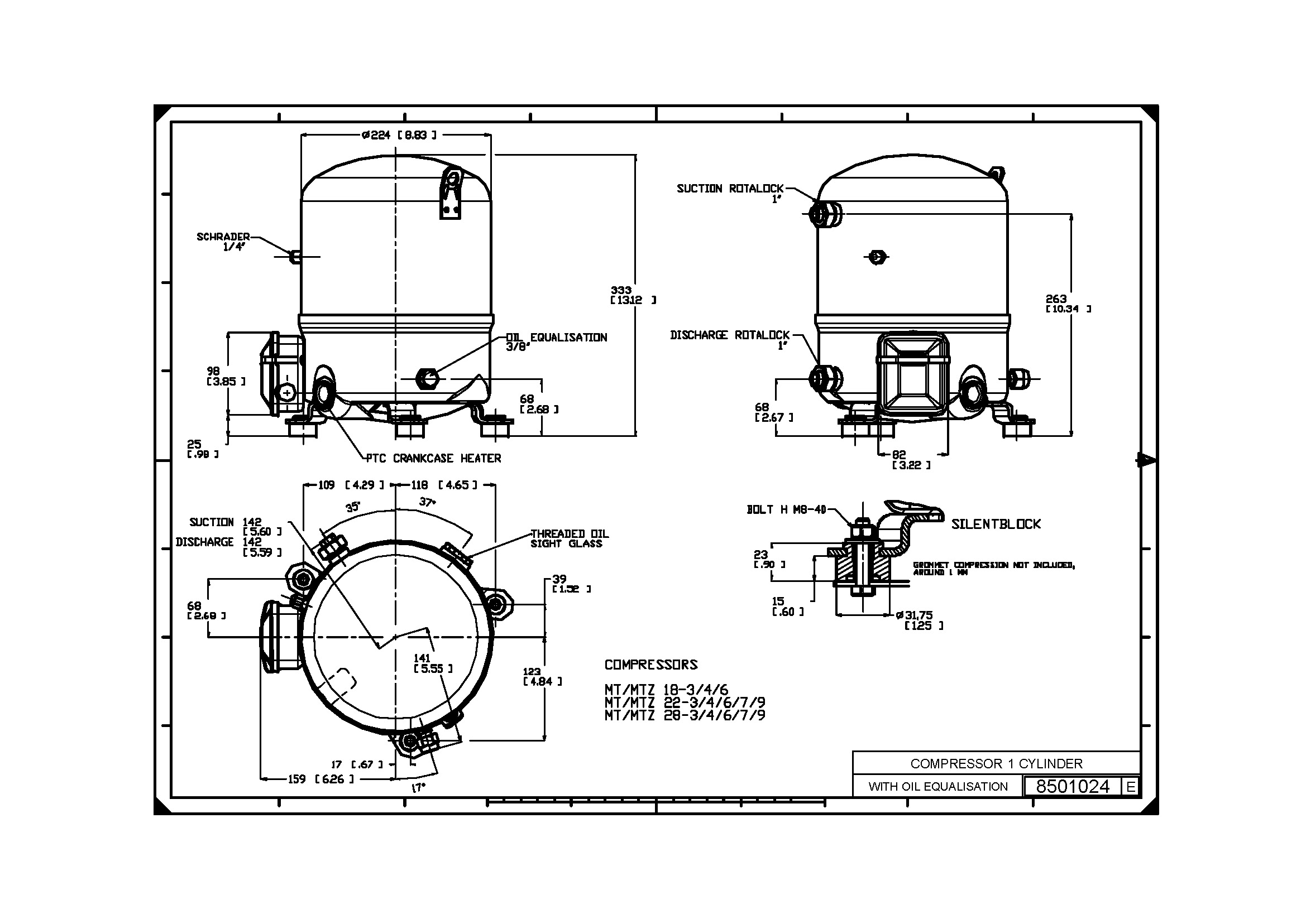
Compressor Recíproco MTZ028 – Trifásico
Tipo: Hermético Recíproco
Família: MTZ
Modelo: MTZ028-3
Aplicação: Refrigeração
Refrigerantes: R134a, R404A, R407A, R407C, R407F, R448A, R449A, R452A, R513A, R454C, R455A, R454A
Tecnologia: Recíproco
Controle de capacidade: Velocidade fixa
Fase / Tensão / Frequência: 3 / 200-230 V / 60 Hz
Resistência de enrolamento: 1.41 Ohm
Velocidade rotacional: 3500 rpm
LRA / MCC: 57 A / 16 A
Proteção do motor: Protetor interno de sobrecarga
Dimensões:
Peso líquido: 23 kg
Peso bruto: 24.88 kg
Volume da embalagem: 38.555 L
Altura da conexão de sucção: 263 mm
Altura da conexão de descarga: 68 mm
Altura total: 333 mm
Diâmetro: 224 mm
Conexões:
Tipo de conexão: Rotolock
Luva de encaixe: ODF
Tamanho da conexão de sucção: 1 in (tubo 1/2 in)
Tamanho da conexão de descarga: 1 in (tubo 3/8 in)
Pressões:
HP de Fábrica: 25 bar | HP teste (Máx): 30 bar
LP de Fábrica: 25 bar | LP teste (Máx): 25 bar
Max pressure high side: 29.4 bar | Max pressure low side: 22.6 bar
Teste Dif (Máx): 30 bar
Óleo e equalização:
Referência do óleo: 175PZ
Carga de óleo: Inicial 0.95 L
Equalização do óleo: Rosca 3/8" SAE
Torque da equalização de óleo: 30 N-m
Torque de montagem: 15 N-m
Gaxeta de descarga: 15 N-m
Válvula de descarga: 50 N-m
Certificações: CE, UL, UKCA, RoHS (UE e China – com isenções 6(a), 6(c), 7.1, 7.3)
Instruções enviadas: Instalação
Cor: Azul
Classe de proteção: IP55 (com prensa cabo)
Montagem: Kit com calços, parafusos, porcas, luvas e arruelas
Quantidade por embalagem: 1
Formato da embalagem: Individual
EAN: 5702428888226

