Soluções completas em equipamentos e componentes para refrigeração industrial, comercial e profissional.
Nossos Produtos

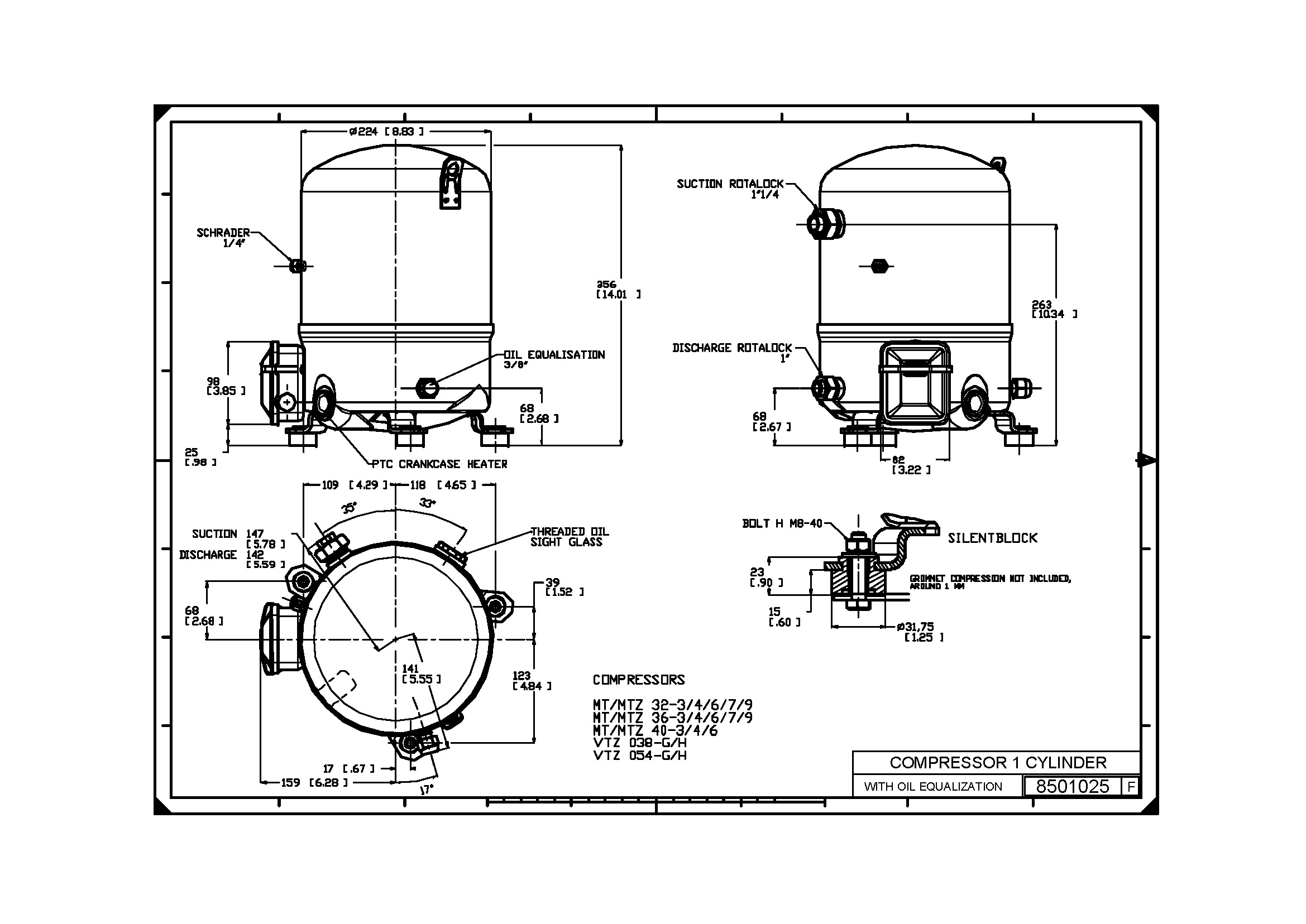
Compressores Recíproco MTZ36 R134/R404 3HP Danfoss
Modelo MTZ36
Compressores Recíprocos Herméticos Danfoss
Os compressores recíprocos herméticos Danfoss são projetados para oferecer alto desempenho, confiabilidade e eficiência energética em sistemas de refrigeração comercial e industrial. Desenvolvidos com tecnologia de ponta, esses compressores garantem operação silenciosa e duradoura, atendendo a uma ampla gama de aplicações — desde câmaras frigoríficas e balcões expositores até unidades condensadoras e sistemas de refrigeração de processo.
Com uma linha completa de modelos para baixa, média e alta temperatura, os compressores herméticos Danfoss se destacam pela robustez construtiva, baixo consumo de energia e compatibilidade com diversos refrigerantes. Essa versatilidade permite flexibilidade em projetos e facilidade na reposição, otimizando o estoque e reduzindo custos de manutenção.
A Danfoss une inovação e engenharia de precisão para oferecer soluções confiáveis e eficientes, garantindo o equilíbrio ideal entre desempenho, economia e sustentabilidade em cada aplicação.
Clique no ➕ para ver as informações do produto e no ➖ para fechar.
Compressor Recíproco MTZ036 – 3 Fases
Tipo: Hermético Recíproco
Família: MTZ
Modelo: MTZ36JG3AVE
Aplicação: Refrigeração MT
Refrigerante: R134a / R404A / R407A / R407C / R407F / R448A / R449A / R452A / R513A / R454A / R454C / R455A
Tecnologia: Recíproco
Controle de capacidade: Velocidade fixa
Fase / Tensão / Frequência: 3 / 200–230 V / 60 Hz
Velocidade rotacional: 3500 rpm
Potência (RLA/MCC/LRA): – / 17 A / 74 A
Proteção do motor: Protetor interno de sobrecarga
Dimensões:
Altura total: 356 mm
Diâmetro: 224 mm
Conexão de sucção: 1 1/4" Rotolock (altura 263 mm)
Conexão de descarga: 1" Rotolock (altura 68 mm)
Tipo de conexão: Rotolock
Pressões e Temperaturas:
HP teste: 30 bar | LP teste: 25 bar
Pressão máx. alta/baixa: 29.4 bar / 22.6 bar
Temperatura alta máx/mín: 150 °C / -35 °C
Temperatura baixa máx/mín: 50 °C / -35 °C
Óleo:
Tipo: Carga de óleo inicial (referência 175PZ)
Carga: 0.95 L
Equalização: Rosca de 3/8" SAE
Torque de equalização: 30 N·m
Carga de refrigerante (máx): 2.5 kg
Viscosidade do óleo: –
Volume de cilindrada: 60.47 cm³
Volume lado alta / baixa: 0.3 L / 7.5 L
Conexões elétricas: Pá
Torque de montagem: 15 N·m
Torque de válvula de descarga: 50 N·m
Montagem: Kit de montagem com calços, parafusos, porcas, luvas e arruelas
Aterramento: 3 N·m
Classe de proteção: IP55 (com prensa cabo)
Certificações: CE, UL, UKCA, RoHS, REACH, WEEE (fora do escopo)
Instruções: Inclui manual de instalação
Cor: Azul
Economizador: Não
IDV: –
Ciclos/hora (máx): 12
Uso em rede elétrica: 208–230 V / 3 Fases / 60 Hz
Embalagem:
Tipo: Individual
Dimensões (C x L x A): 330 mm x 295 mm x 385 mm
Peso líquido: 26 kg | Bruto: 27.88 kg
Compressor Recíproco MTZ036 – 3 Fases
Tipo: Hermético Recíproco
Família: MTZ
Modelo: MTZ36JG9AVE
Aplicação: Refrigeração MT
Refrigerante: R134a / R404A / R407A / R407C / R407F / R448A / R449A / R452A / R513A
Tecnologia: Recíproco
Controle de capacidade: Velocidade fixa
Fase / Tensão / Frequência: 3 / 380–400 V / 60 Hz
Velocidade rotacional: 3500 rpm
Potência (RLA/MCC/LRA): – / 9.5 A / 35 A
Proteção do motor: Protetor interno de sobrecarga
Dimensões:
Altura total: 356 mm
Diâmetro: 224 mm
Conexão de sucção: 1 1/4" Rotolock (altura 263 mm)
Conexão de descarga: 1" Rotolock (altura 68 mm)
Tipo de conexão: Rotolock
Pressões e Temperaturas:
HP teste: 30 bar | LP teste: 25 bar
Pressão máx. alta/baixa: 29.4 bar / 22.6 bar
Temperatura alta máx/mín: 150 °C / -35 °C
Temperatura baixa máx/mín: 50 °C / -35 °C
Óleo:
Tipo: Carga de óleo inicial (referência 175PZ)
Carga: 0.95 L
Equalização: Rosca de 3/8" SAE
Torque de equalização: 30 N·m
Carga de refrigerante (máx): 2.5 kg
Viscosidade do óleo: –
Volume de cilindrada: 60.47 cm³
Volume lado alta / baixa: 0.3 L / 7.5 L
Conexões elétricas: Pá
Torque de montagem: 15 N·m
Torque de válvula de descarga: 50 N·m
Montagem: Kit de montagem com calços, parafusos, porcas, luvas e arruelas
Aterramento: 3 N·m
Classe de proteção: IP55 (com prensa cabo)
Certificações: CE, UL, UKCA, RoHS, REACH, WEEE (fora do escopo)
Instruções: Inclui manual de instalação
Cor: Azul
Economizador: Não
IDV: –
Ciclos/hora (máx): 12
Uso em rede elétrica: 380–400 V / 3 Fases / 60 Hz
Embalagem:
Tipo: Individual
Dimensões (C x L x A): 330 mm x 295 mm x 385 mm
Peso líquido: 25.79 kg | Bruto: 27.63 kg
Compressor Recíproco MTZ036 – 3 Fases
Tipo: Hermético Recíproco
Família: MTZ
Modelo: MTZ036-4 / MTZ36JG4BVE
Aplicação: Refrigeração MT
Refrigerante: R134a, R404A, R407A, R407C, R407F, R448A, R449A, R452A, R454C, R455A, R513A, R454A
Tecnologia: Recíproco
Controle de capacidade: Velocidade fixa
Fase / Tensão / Frequência: 3 / 380–415 V / 50 Hz – 460 V / 60 Hz
Velocidade rotacional: 2900 rpm (50 Hz) / 3500 rpm (60 Hz)
Potência (RLA/MCC/LRA): / 9 A / 38 A
Proteção do motor: Protetor interno de sobrecarga
Dimensões:
Altura total: 356 mm
Diâmetro: 224 mm
Conexão de sucção: 1 1/4 in – Rotolock (altura 263 mm)
Conexão de descarga: 1 in – Rotolock (altura 68 mm)
Tipo de conexão: Rotolock
Pressões e Temperaturas:
HP teste: 30 bar | LP teste: 25 bar
Pressão máx. alta/baixa: 29.4 bar / 22.6 bar
Temperatura alta máx/mín: 150 °C / -35 °C
Temperatura baixa máx/mín: 50 °C / -35 °C
Óleo:
Tipo: 175PZ
Carga: 0.95 L
Equalização: Rosca 3/8" SAE
Torque de equalização: 30 N·m
Carga de refrigerante (máx): 2.5 kg
Viscosidade do óleo:
Volume de cilindrada: 60.47 cm³
Volume lado alta / baixa: 0.3 L / 7.5 L
Conexões elétricas: Pá
Torque de montagem: 15 N·m
Torque de válvula de descarga: 50 N·m
Montagem: Kit de montagem com calços, parafusos, porcas, luvas e arruelas
Aterramento: 3 N·m
Classe de proteção: IP55 (com prensa cabo)
Certificações: CE, UL, EU RoHS com isenções 6(a), 6(c), China RoHS com isenções 7.1 e 7.3, REACH (Chumbo CAS 7439-92-1)
Instruções: Inclui manual de instalação
Cor: Azul
Economizador: Não
IDV:
Ciclos/hora (máx): 12
Uso em rede elétrica: 380–415 V / 3 / 50 Hz – 460 V / 3 / 60 Hz
Embalagem:
Tipo: Individual
Dimensões (C x L x A): 330 mm x 295 mm x 385 mm
Peso líquido: 25.22 kg | Bruto: 27.06 kg

