Soluções completas em equipamentos e componentes para refrigeração industrial, comercial e profissional.
Nossos Produtos

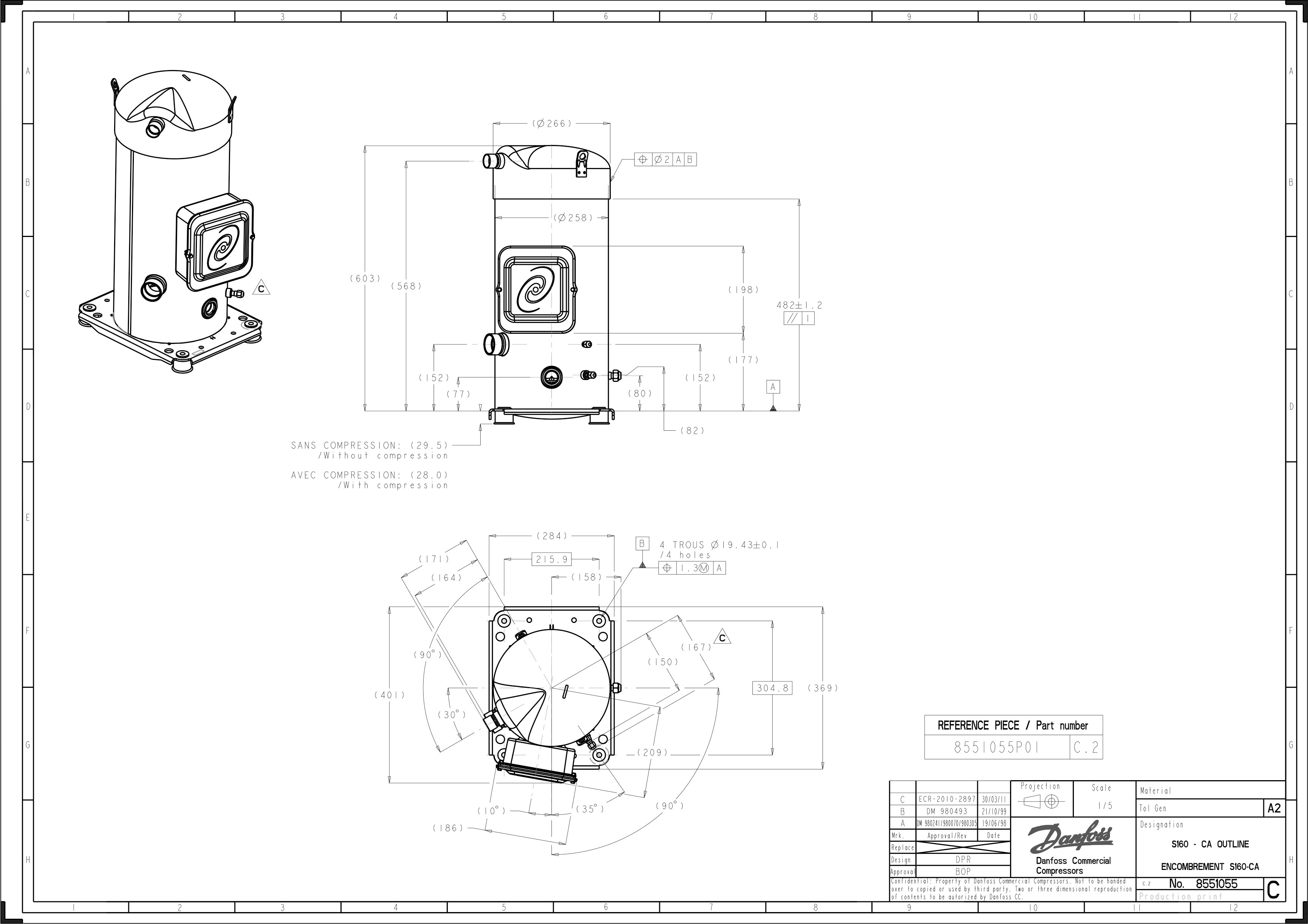
Compressores Scroll SZ160 R407/R134 13TR Danfoss para Ar Condicionado
Modelo SZ160
Os compressores scroll Danfoss das séries H e S são utilizados há mais de 10 anos em unidades HVAC R410A. Com uma ampla gama de aplicações, eles atendem a diversas aplicações, como telhados, chillers ou resfriamento de processos, reduzindo o número de itens armazenados em referência e estoque. Os compressores scroll Danfoss com IDVs possuem uma gama operacional ainda maior, proporcionando maior flexibilidade em projetos de sistemas para uma ampla gama de aplicações.
Clique no ➕ para ver as informações do produto e no ➖ para fechar.
Compressor Scroll SZ160T3CC – 3 Fases
Tipo: Hermético Scroll
Família: SZ
Modelo: SZ160-3 / SZ160T3CC
Aplicação: Ar condicionado
Refrigerante: R134a / R407C
Tecnologia: Scroll
Controle de capacidade: Velocidade fixa
Fase / Tensão / Frequência: 3 / 200–230V / 60Hz
Velocidade rotacional: 3500 rpm (60 Hz)
Potência (RLA/MCC/LRA): 61 A / 61 A / 298 A
Proteção do motor: Termostato interno, protetor externo de sobrecarga necessário
Dimensões:
Altura total: 631 mm
Diâmetro: 266 mm
Conexão de sucção: 1 5/8” (altura 180 mm)
Conexão de descarga: 1 1/8” (altura 596 mm)
Tipo de conexão: Brasado (ODF)
Pressões e Temperaturas:
HP teste: 32 bar | LP teste: 25 bar
Pressão máx. alta/baixa: 34.3 / 25 bar
Temperatura alta máx/mín: 150 / -35 °C
Temperatura baixa máx/mín: 54 / -35 °C
Óleo:
Tipo: POE (Ref. 160SZ)
Carga: 4 L
Equalização: Rosca 3/8” SAE
Torque de equalização: 48 N·m
Carga de refrigerante (máx): 12.5 kg
Viscosidade do óleo: 32 cP
Volume de cilindrada: 216.6 cm³
Volume lado alta / baixa: 1.7 L / 16.5 L
Conexões elétricas: Parafuso 4,8 mm
Torque de montagem: 21 N·m
Torque de válvula de descarga: 50 N·m
Montagem: Kit de montagem com calços, parafusos, porcas, luvas e arruelas
Aterramento: 2 N·m
Classe de proteção: IP54 (com prensa cabo)
Certificações: CE, UL, UKCA, RoHS (UE/China)
Instruções: Instruções de instalação
Cor: Azul
Economizador: Não
IDV: Não
Ciclos/hora (máx): 12
Uso em rede elétrica: 200–230V / 3 / 60Hz
Embalagem:
Tipo: Individual
Dimensões (C x L x A): 470 x 370 x 671 mm
Peso líquido: 90 kg | Bruto: 102 kg
Compressor Scroll SZ160T9CC – 3 Fases
Tipo: Hermético Scroll
Família: SZ
Modelo: SZ160-9 / SZ160T9CC
Aplicação: Ar condicionado
Refrigerante: R134a / R407C
Tecnologia: Scroll
Controle de capacidade: Velocidade fixa
Fase / Tensão / Frequência: 3 / 380–400V / 60Hz
Velocidade rotacional: 3500 rpm (60 Hz)
Potência (RLA/MCC/LRA): 36 A / 36 A / 170 A
Proteção do motor: Termostato interno, protetor externo de sobrecarga necessário
Dimensões:
Altura total: 631 mm
Diâmetro: 266 mm
Conexão de sucção: 1 5/8” (altura 180 mm)
Conexão de descarga: 1 1/8” (altura 596 mm)
Tipo de conexão: Brasado (ODF)
Pressões e Temperaturas:
HP teste: 32 bar | LP teste: 25 bar
Pressão máx. alta/baixa: 34.3 / 25 bar
Temperatura alta máx/mín: 150 / -35 °C
Temperatura baixa máx/mín: 54 / -35 °C
Óleo:
Tipo: POE (Ref. 160SZ)
Carga: 4 L
Equalização: Rosca 3/8” SAE
Torque de equalização: 48 N·m
Carga de refrigerante (máx): 12.5 kg
Viscosidade do óleo: 32 cP
Volume de cilindrada: 216.6 cm³
Volume lado alta / baixa: 1.7 L / 16.5 L
Conexões elétricas: Parafuso 4,8 mm
Torque de montagem: 21 N·m
Torque de válvula de descarga: 50 N·m
Montagem: Kit de montagem com calços, parafusos, porcas, luvas e arruelas
Aterramento: 2 N·m
Classe de proteção: IP54 (com prensa cabo)
Certificações: CE, UL, UKCA, RoHS (UE/China)
Instruções: Instruções de instalação
Cor: Azul
Economizador: Não
IDV: Não
Ciclos/hora (máx): 12
Uso em rede elétrica: 380–400V / 3 / 60Hz
Embalagem:
Tipo: Individual
Dimensões (C x L x A): 470 x 370 x 671 mm
Peso líquido: 90 kg | Bruto: 102 kg
Compressor Scroll SZ160 – 3 Fases
Tipo: Hermético Scroll
Família: SZ
Modelo: SZ160T4CC / SZ160
Aplicação: Ar condicionado
Refrigerante: R134a / R404A / R407C
Tecnologia: Scroll
Controle de capacidade: Velocidade fixa
Fase / Tensão / Frequência: 3 / 380-415V / 50Hz 460V / 3 / 60Hz
Velocidade rotacional: 2900 rpm (50 Hz) / 3500 rpm (60 Hz)
Potência (RLA/MCC/LRA): 29 A / 29 A / 150 A
Proteção do motor: Termostato interno, protetor ext. de sobrecarga necessário
Dimensões:
Altura total: 631 mm
Diâmetro: 266 mm
Conexão de sucção: 1 5/8” (altura 180 mm)
Conexão de descarga: 1 1/8” (altura 596 mm)
Tipo de conexão: Brasado (ODF)
Pressões e Temperaturas:
HP teste: 32 bar | LP teste: 25 bar
Pressão máx. alta/baixa: 34.3 / 25 bar
Temperatura alta máx/mín: 150 / -35 °C
Temperatura baixa máx/mín: 54 / -35 °C
Teste Dif (máx): 24 bar
Óleo:
Tipo: POE (Ref. 160SZ)
Carga: 4 L
Equalização: Rosca 3/8” SAE
Torque de equalização: 48 N·m
Carga de refrigerante (máx): 12.5 kg
Viscosidade do óleo: 32 cP
Volume de cilindrada: 216.6 cm³
Volume lado alta / baixa: 1.7 L / 16.5 L
Conexões elétricas: Parafuso 4,8 mm
Torque de montagem: 21 N·m
Torque de válvula de descarga: 50 N·m
Montagem: Kit de montagem com calços, parafusos, porcas, luvas e arruelas
Aterramento: 2 N·m
Classe de proteção: IP54 (com prensa cabo)
Certificações: CE, UL, UKCA, EU RoHS (com exceções), China RoHS (com exceções)
Instruções: Instruções de Instalação
Cor: Azul
Economizador: Não
IDV: No
Ciclos/hora (máx): 12
Uso em rede elétrica: 380-415V / 3 / 50Hz 460V / 3 / 60Hz
Embalagem:
Tipo: Embalagem individual
Dimensões (C x L x A): 671 x 370 x 470 mm
Peso líquido: 90 kg | Bruto: 102 kg

